Diseño
Realizar el diseño de un sistema hidráulico no es sencillo, requiere un análisis detallado a través de un equipo de trabajo interdisciplinario, se involucran áreas como: Ingeniería Civil, Hidrología, Ingeniería Mecánica, softwares especializados en modelaciones hidráulicas y de presiones transitorias, hasta ingenieros en automatización y control para tener un monitoreo de todos los parámetros del sistema.
Por ejemplo, para el diseño de un acueducto es importante contar con acertados parámetros de diseño y una acertada cifra de consumo, se requiere revisar la disponibilidad en cantidad y calidad del agua en las fuentes, estadísticas de consumo de agua en la localidad en estudio o en similares, periodo de diseño y vida probables de las estructura, variaciones periódicas de los consumos e influencias sobre los componentes del sistema, terminando con la calidad de los materiales a utilizar.
El análisis cuidadoso de estas cifras es fundamental para el logro de dimensiones adecuadas en las estructuras del sistema. Dependiendo del sistema, se necesitan evaluar distintas áreas como por ejemplo:
-
Fuentes de abastecimiento
-
Obras de captación
-
Obras de conducción
-
Tratamiento del agua
-
Almacenamiento
-
Distribución
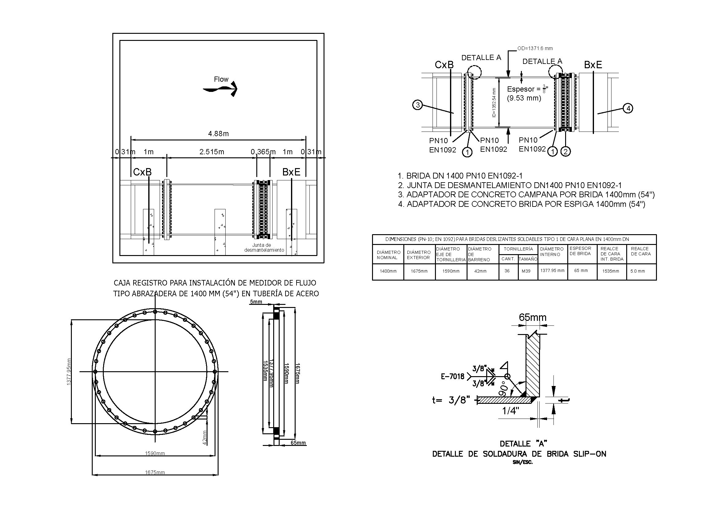
En el caso de diseño de accesorios en los acueductos, realizamos estudios por software y análisis topográfico en donde identificamos los puntos requeridos del sistema para incluir accesorios tales como válvulas de admisión y expulsión de aire o desfogues, así como su dimensionamiento. De esta forma, se puede eficientar el número de accesorios, al instalar solamente los requeridos, ya que es muy común que en el diseño de un acueducto se propongan accesorios excesivos en número y tamaño.
COET cuenta con ingenieros especialistas experimentados en las áreas requeridas para generar un diseño confiable y duradero. Siendo la principal ventaja de trabajar con COET la experiencia en el sector hidráulico en nuestro país. Nuestras áreas de experiencia en cuanto a diseño son:
-
Tuberías de grandes diámetros
-
Accesorios para acueductos
-
Tanques
-
Estructuras de control de flujo
-
Pozos
-
Túneles
